記事を読む前に!実践・過去問チャレンジ
電気工事士の試験勉強を進める中で、計算問題に苦手意識を持っている方は多いのではないでしょうか。特に「三相交流回路」は、単相回路とは異なるルールがあり、ルート3(1.73)という数字も出てくるため、混乱しやすい分野です。
しかし、三相交流回路の問題は出題パターンが決まっています。特に今回取り上げる「スター結線(Y結線)」の仕組みを理解してしまえば、数字が変わっても確実に解ける貴重な得点源になります。
まずは、実際の試験問題(過去問)を解いて、現在の理解度を確認してみましょう。
【問題】
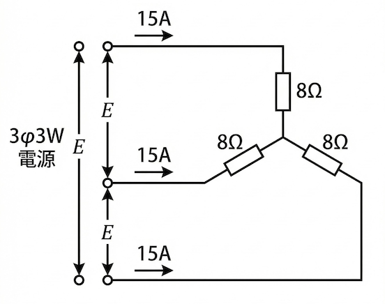
図のような三相3線式回路に流れる電流 I [A] は。

- 5.0
- 5.8
- 8.7
- 10.0
答えは決まりましたか?
「とりあえず200Vを20Ωで割って10A(選択肢4)」と考えてしまった方は要注意です。それは単相回路の計算方法であり、三相交流のスター結線では正解になりません。
なぜその計算ではいけないのか、正しい解き方はどうなるのか。試験本番で迷わないための「鉄則」を解説します。
1. ズバリ、正解は?
正解は、選択肢の 【 2 】(5.8)です。
この問題を解くためには、スター結線特有の「電圧の変換」を行う必要があります。

2. スター結線(Y結線)の2つの鉄則
解説に入る前に、スター結線(Yの字の形をした回路)で絶対に覚えておかなければならないルールが2つあります。これを覚えるだけで、問題の解き方が明確になります。
鉄則1:電流は「そのまま」
回路図を見てみましょう。外側の電線を流れてきた電流は、枝分かれすることなく、そのまま抵抗(負荷)に流れ込みます。
つまり、「線電流(外の電流)」と「相電流(中の抵抗に流れる電流)」は同じ値になります。
鉄則2:電圧は「ルート3」
ここが最大のポイントです。
電線と電線の間の電圧(線間電圧)は、1つの抵抗にかかる電圧(相電圧)よりも大きくなります。その倍率が「ルート3(約1.73)」です。
- 線間電圧 = 相電圧 × 1.73
- 相電圧 = 線間電圧 ÷ 1.73
「スター結線の電圧は、外(線間)の方が大きく、中(相)の方が小さい」とイメージしてください。

3. 計算手順の完全解説
それでは、今回の問題を3つのステップで解いていきましょう。
STEP 1:抵抗にかかる電圧(相電圧)を求める
問題で与えられている「200V」は線間電圧です。
オームの法則を使って抵抗に流れる電流を求めるには、抵抗1個に直接かかっている電圧(相電圧)を知る必要があります。
鉄則2に従い、線間電圧を1.73(ルート3)で割って、相電圧を求めます。
相電圧 = 200 ÷ 1.73 [V]
STEP 2:オームの法則で電流を求める
抵抗1個にかかる電圧(200 ÷ 1.73)と、抵抗の値(20Ω)が分かりました。
これらをオームの法則(電流 = 電圧 ÷ 抵抗)に当てはめます。
電流 = (200 ÷ 1.73) ÷ 20
STEP 3:計算を楽にするテクニック
ここで、電卓が使えない筆記試験ならではの計算のコツがあります。
「200 ÷ 1.73」を先に計算しようとすると、割り算が大変で時間がかかってしまいます。
式の順番を入れ替えてみましょう。
電流 = 200 ÷ 20 ÷ 1.73
先に「200 ÷ 20」を計算します。これなら簡単ですね。答えは「10」です。
残った計算は以下のようになります。
電流 = 10 ÷ 1.73
これなら筆算も簡単です。
10 ÷ 1.73 = 5.780…
四捨五入すると、約 5.8 A となります。
よって、正解は 【 2 】 です。
4. 応用編:逆パターンの問題も攻略(電圧を求める)
試験では、逆に「電流から電圧を求める」問題もよく出題されます。
こちらも考え方は同じですので、セットで覚えてしまいましょう。
【例題】
「電流が15A、抵抗が8Ωのとき、線間電圧 E [V] はいくらか?」
(抵抗はスター結線とします)

- 120
- 169
- 208
- 240
解説
- 相電圧を出すまず、抵抗1個にかかる電圧(相電圧)を計算します。電流は「そのまま」なので、抵抗には15Aが流れています。15 × 8 = 120 [V]これが相電圧です。選択肢1に「120」がありますが、ここで飛びついてはいけません。
- 線間電圧に変換する求めたいのは線間電圧です。鉄則2に従い、相電圧を1.73倍(ルート3倍)します。120 × 1.73 = 207.6 [V]答えは約 208V(選択肢3)となります。

まとめ:スター結線の攻略ポイント
第二種電気工事士の試験でスター結線の問題が出たら、以下の手順で落ち着いて解きましょう。
- 回路がスター(Y)結線であることを確認する。
- 電流はイコール(線電流=相電流)。
- 電圧はルート3倍(線間電圧=相電圧×1.73)。
- オームの法則を使うときは、必ず「抵抗1個にかかる電圧(相電圧)」を使う。
このルールさえ守れば、どのような数値が出ても確実に正解を導き出せます。「ルート3」の計算に慣れて、貴重な1点を確実にゲットしてください。

